Metaflex Floating Shafts are ideally suitable for connecting machines relatively far apart . Typical uses are Paper Machinery Drive, Vertical Pump Drive, etc.
Floating Shafts are available in fixed Length as well as adjustible Lengths with Shrink Disc/ Splines. Hollow tubes are used to fabricate shafts. Shafts are light weight and require very little maintenance. Lubrication is required only for intermediate bearings.
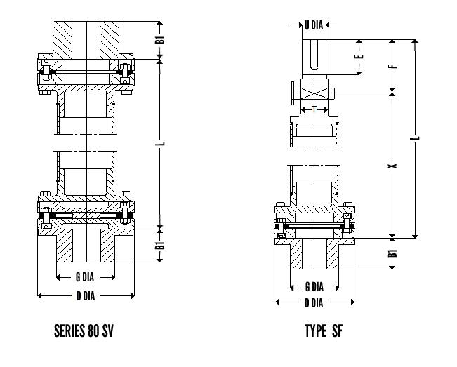
Tube Size is selected to ensure operation well away from critical whirling speed.
| Size | Nominal HP/100 RPM |
Nominal Torque Nm |
Peak Torque Nm |
Max Bore mm |
D | G | G1 |
|---|---|---|---|---|---|---|---|
| 65 | 0.45 | 32 | 64 | 28 | 66 | 42 | 28 |
| 80 | 0.90 | 64 | 128 | 38 | 75 | 54 | 30 |
| 100 | 1.80 | 128 | 256 | 42 | 87 | 60 | 32 |
| 125 | 2.60 | 185 | 370 | 48 | 102 | 70 | 41 |
| 150 | 4.00 | 285 | 570 | 48 | 105 | 69 | 45 |
| 162 | 7.00 | 500 | 1000 | 55 | 115 | 80 | 48 |
| 180 | 9.00 | 640 | 1280 | 65 | 130 | 90 | 55 |
| 200 | 12.00 | 855 | 1710 | 70 | 143 | 100 | 54 |
| 220 | 15.00 | 1070 | 2140 | 80 | 143 | 112 | 62 |
| 225 | 18.00 | 1282 | 2562 | 75 | 148 | 110 | 67 |
| 250 | 25.00 | 1780 | 3560 | 80 | 173 | 130 | 76 |
| 262 | 33.00 | 2350 | 4700 | 90 | 173 | 130 | 76 |
| 300 | 56.00 | 3990 | 7980 | 110 | 203 | 157 | 86 |
| 312 | 56.00 | 3990 | 7980 | 110 | 203 | 157 | 86 |
| 350 | 70.00 | 4990 | 9980 | 115 | 227 | 162 | 95 |
| 375 | 100.00 | 7125 | 14250 | 130 | 252 | 187 | 102 |
| 425 | 140.00 | 9975 | 19950 | 130 | 273 | 191 | 108 |
| 450 | 170.00 | 12110 | 24220 | 145 | 293 | 211 | 114 |
| 500 | 270.00 | 19230 | 38460 | 175 | 333 | 251 | 127 |
| 550 | 400.00 | 28500 | 57000 | 190 | 373 | 270 | 148 |
| 600 | 500.00 | 35625 | 71250 | 210 | 412 | as reqd | 153 |
| 700 | 800.00 | 57000 | 114000 | 240 | 470 | as reqd | 178 |
| 750 | 1100.00 | 78375 | 156750 | 270 | 510 | as reqd | 191 |
| 800 | 1600.00 | 114000 | 228000 | 300 | 553 | as reqd | 210 |
| Size | Weight |
Inertia MR^2 |
End Float |
|||||
|---|---|---|---|---|---|---|---|---|
| SV | SF | SV | SF | SV (+) | SF (*) SV(-) |
Bolt Torque# |
Bolt Torque## |
|
| kg | kg | Kg.m^2 | Kg.m^2 | MM | MM | NM | NM | |
| 65 | 1.9 | 2.0 | 0.001 | 0.001 | 1.00 | 0.50 | 6 | 6 |
| 80 | 2.7 | 2.3 | 0.002 | 0.002 | 1.20 | 0.60 | 10 | 6 |
| 100 | 4.1 | 2.7 | 0.004 | 0.003 | 2.00 | 1.00 | 24 | 10 |
| 125 | 6.0 | 4.3 | 0.009 | 0.005 | 2.00 | 1.00 | 24 | 24 |
| 150 | 6.1 | 4.4 | 0.009 | 0.005 | 1.30 | 0.65 | 24 | 24 |
| 162 | 8.1 | 6.6 | 0.014 | 0.008 | 1.30 | 0.65 | 24 | 48 |
| 180 | 11.0 | 9.5 | 0.027 | 0.016 | 1.50 | 0.75 | 48 | 48 |
| 200 | 14.0 | 11.2 | 0.040 | 0.024 | 1.80 | 0.90 | 48 | 48 |
| 220 | 16.8 | 15.1 | 0.043 | 0.026 | 2.00 | 1.00 | 48 | 48 |
| 225 | 17.5 | 13.5 | 0.044 | 0.027 | 1.40 | 0.70 | 48 | 48 |
| 250 | 24.4 | 21.2 | 0.105 | 0.064 | 2.20 | 1.10 | 48 | 48 |
| 262 | 24.2 | 21.1 | 0.105 | 0.064 | 1.50 | 0.75 | 48 | 48 |
| 300 | 43.2 | 35.7 | 0.250 | 0.152 | 3.00 | 1.50 | 200 | 80 |
| 312 | 36.8 | 30.4 | 0.220 | 0.134 | 1.90 | 0.95 | 80 | 80 |
| 350 | 53.0 | 40.5 | 0.400 | 0.244 | 2.00 | 1.00 | 200 | 200 |
| 375 | 68.0 | 55.6 | 0.600 | 0.366 | 2.30 | 1.15 | 200 | 200 |
| 425 | 94.0 | 74.0 | 1.000 | 0.61 | 2.50 | 1.25 | 400 | 400 |
| 450 | 121.0 | on req | 1.480 | on req | 2.80 | 1.40 | 400 | 400 |
| 500 | 150.0 | on req | 2.490 | on req | 3.00 | 1.50 | 400 | 400 |
| 550 | 187.0 | on req | 3.800 | on req | 3.20 | 1.60 | 540 | 540 |
| 600 | 255.0 | on req | 6.700 | on req | 3.70 | 1.85 | 700 | 700 |
| 700 | 388.0 | on req | 12.800 | on req | 4.10 | 2.05 | 1400 | 1400 |
| 750 | 480.0 | on req | 17.700 | on req | 4.60 | 2.30 | 1800 | 1400 |
| 800 | 680.0 | on req | 30.000 | on req | 5.00 | 2.50 | 2400 | 1400 |